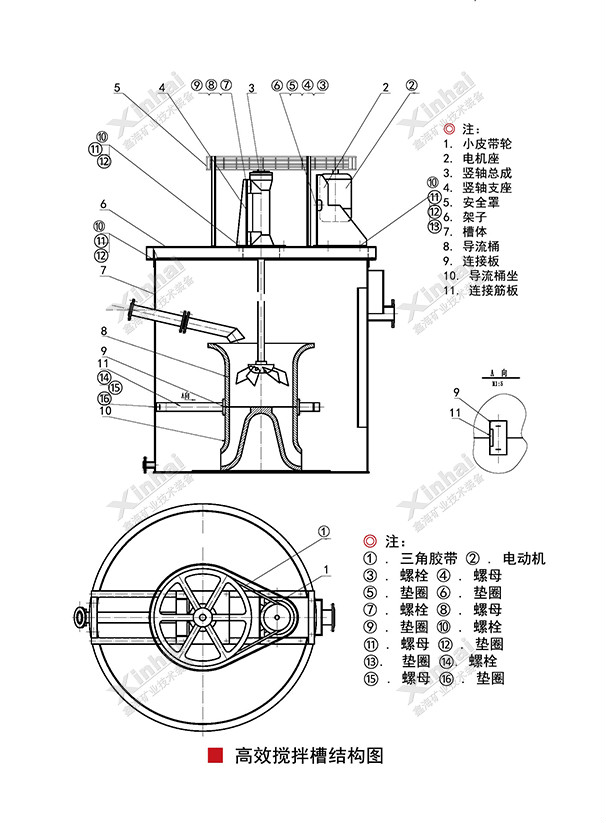
葉輪直徑大、轉速快,獨特的傘形葉輪對礦漿施加向下的壓力,使礦漿和藥物攪拌能力和循環能力得到加強;
槽中有一個導流體,較大的負壓縮小在有限空間內,加速了抽吸能力,增加了循環能力;
導流體下部設有噴射體,藥礦的循環能力更進一步加強,有利于提高浮選指標。

| 型號 | 有效容積(m3) | 葉輪轉速(r.p.m) | 葉輪直徑(mm) | 電機型號 | 電機功率(kw) | 重量(kg) |
|---|---|---|---|---|---|---|
| BJW-500×600 | 0.094 | 493 | 160 | Y80L-4 | 0.55 | 120 |
| BJW-750×750 | 0.25 | 530 | 240 | Y100L-6 | 1.5 | 230 |
| BJW-750×1000 | 0.35 | 530 | 240 | Y100L-6 | 1.5 | 270 |
| BJW-1000×1000 | 0.63 | 530 | 240 | Y100L-6 | 1.5 | 362 |
| BJW-1250×1250 | 1.15 | 492 | 310 | Y100L1-4 | 2.2 | 490 |
| BJW-1500×1500 | 2.2 | 320 | 400 | Y132S-6 | 3 | 1310 |
| BJW-2000×2000 | 4.4 | 230 | 550 | Y132M2-6 | 5.5 | 1720 |